전해연마로 grain 관찰하기
일단 내가 작성하는 논문에 필요한 데이터 중 시편의 grain size가 있다.
시편의 grain size를 알아내기 위해 전해연마로 시편을 연마한 다음 OM으로 미세구조를 확인해야 한다.
전해연마를 사용하는 이유
일반적으로 grain을 관찰할 때는 사포를 이용해서 표면을 연마하고 나이탈 용액으로 에칭을 한다.
하지만 내가 관측해야 하는 시편은 사포를 이용할 수가 없다.
왜냐하면 시편의 두께가 0.1mm로 매우 얇은 시편이다.
이렇게 두께가 얇으면 사포를 사용할 시 시편의 마모가 너무 심하게 일어나 갈려 나가게 되어 grain을 관찰하기 어려운 상태가 된다.
교수님 말씀으로는 0.3mm 이하의 두께를 가진 시편은 전해연마를 사용하는것을 권장한다고 하신다.
전해연마의 최적점을 찾아보자
우리 랩실에서 다루는 전해연마 기기는 BUEHLER 사의 Electromet 4 이다.

그리고 내가 다루어야 할 시편은 Si 2wt% Fe 시편이다.
시편의 조성에 따라 전해연마의 최적점이 달라지기 때문에 이를 고려해야 한다.
메뉴얼 상에서는 3 percent Si-Fe 시편은 acetic acid : perchloric acid = 650ml : 350ml 용액으로 전해연마를 해야 한다고 했다.
그리고 5분동안 0.06A/cm^2 전류로 진행하라고 했다.
하지만 이정도 전류로는 전해연마가 잘 이루어지지 않았다.
교수님은 약 3분정도의 시간에서 약 1.0A로 시작해서 조금씩 시간을 줄여 나가보면서 최적점을 찾아보라고 조언해주셨다.
처음 전해연마를 할 때는 3분에 1.1A 정도의 전류를 흘려보냈었다.
결과적으로 grain을 OM으로 확인할 수는 있었지만 시편의 마모가 굉장히 심하게 일어났었고, OM으로 grain이 보이는 면을 찾기가 어려웠다.


한마디로 전해연마 최적점이 아님을 바로 알 수 있었다.
그리고 아주 신기했던 점은 애칭을 따로 하지 않고 폴리싱만 했는데도 grain이 관찰되었다.
너무 과하게 전해연마를 한 나머지 폴리싱과 에칭이 동시에 된 것 같기도 하다.
결과적으로는 grain을 관측할 수 있었지만 grain이 보이는 면을 OM으로 찾는 시간이 너무 오래 걸렸다.
전해연마가 너무 과하게 일어났다고 판단되어 시간을 30초씩 낮추면서 다음 시편들을 전해연마 하였다.
이것이 이번 실험을 하면서 가장 어려웠던 부분이었다.
실험과 전해연마의 최적점을 동시에 찾으려고 하니 시편 사용에 제한이 있었고, 시편마다 내가 알 수 없는 연마 조건이 달라질 수도 있다고 생각하여 이 둘을 동시에 하기 어려웠다.
시간을 줄여가면서 연마를 한 결과, grain이 관측되는 면을 찾기가 더 어려웠다.
그 말은 폴리싱 만으로 grain을 찾기는 어렵고 추가적인 에칭이 필요하다는 것을 의미한다고 생각하였다.
폴리싱 조건과 애칭 조건을 동시에 잡아야 하기에 굉장히 어려웠다.
시간을 낮추고 에칭을 한다고 해도 grain이 잘 보이지 않았고, 오히려 더 보이지 않았다.
그래서 교수님께 SOS를 요청했다.
메뉴얼 상에서의 전류보다 더 높고 적은 시간으로 전해연마를 할 수 있다고 교수님이 조언 해주셨다.
옛날에 교수님이 얇은 시편을 전해연마 할 때 30초가 안되는 시간으로 전해연마를 하셨다고 하셨고 전류를 약간 올린 상태에서 약 15초 정도 폴리싱을 진행한 후 15초씩 추가해가면서 전해연마를 진행하면서 최적점을 찾아라고 해주셨다.
그래서 시간을 대폭 줄여 15초 부터 시작해 전해연마를 조금씩 하기 시작했다.
그 결과 약 45초 ~ 50초 정도 진행시킬 때 적절한 폴리싱 정도가 완성되었다.

폴리싱 최적조건은 이렇게 찾을 수 있었다.
하지만 애칭 조건을 찾는것은 또 다른 문제였다.
폴리싱을 잘 하더라도 에칭이 적절히 수행되지 않는다면 grain이 더 관측되기 어려웠다.
그리고 생각보다 전해연마 기기가 섬세하지 않고 일정하지 않다는 것을 느꼈다.
최적점을 찾았다고 해도 전압을 통해서 전류를 조절해야 하는 메커니즘이기 때문에 시편에 가해지는 전류를 계속 지켜보면서 전압을 조절해줘야 한다.
이런 단점이 존재하지만 매우 얇은 시편을 폴리싱 할 수 있고 기존의 사포로 플리싱 하는것 보다 시간단축을 크게 할 수 있다는 장점이 존재한다.
계속되는 실패
폴리싱은 어느정도 완벽하게 끝낼 수 있었지만 계속해서 에칭 단계에서 실패했었다.
폴리싱 단계에서는 어느정도 사포로 표면처리 했을때의 스크레치는 남아있는 상태지만 어느정도 grain이 보이는 상태이고 꽤 괜찮게 폴리싱 된 상태인 줄 알았다.


하지만 애칭을 했을 때 조금이라도 보였던 grain들이 보이지 않게 되었고 오히려 더 보이지 않게 되었다.
이정도 결과는 에칭 조건을 조금씩 바꿔서 개선해나가는 단계를 넘어서는 그런 결과들이 계속해서 보였다.



이렇게 계속 애칭에 실패하게 된다면 한정된 시편의 양을 커버할 수가 없었다.
큰 시편들도 있었지만 작은 시편들도 있어 약 3번정도 실험에 실패했을 때 더이상 사용할 수 있는 시편이 남아있지가 않았다.
매우 얇은 시편으로 전해연마를 했다는 레퍼런스를 찾아보고 싶었지만 그런 경우는 거의 보이지 않았다.
혼자서 해결할 수 있는 상황이 아니라고 판단하여 교수님의 도움을 조금 받기로 했다.
돌파구
교수님은 바로 괜찮은 솔루션을 내주셨다.
전해연마기로 애칭이 되지 않는다면 폴리싱만 진행한 이후 나이탈 용액으로 애칭은 따로 해보자! 라는 솔루션을 주셨다.
바로 '아! 그러면 되겠구나' 라는 생각이 들었다.
역시 교수님이라는 생각이 들었다,,

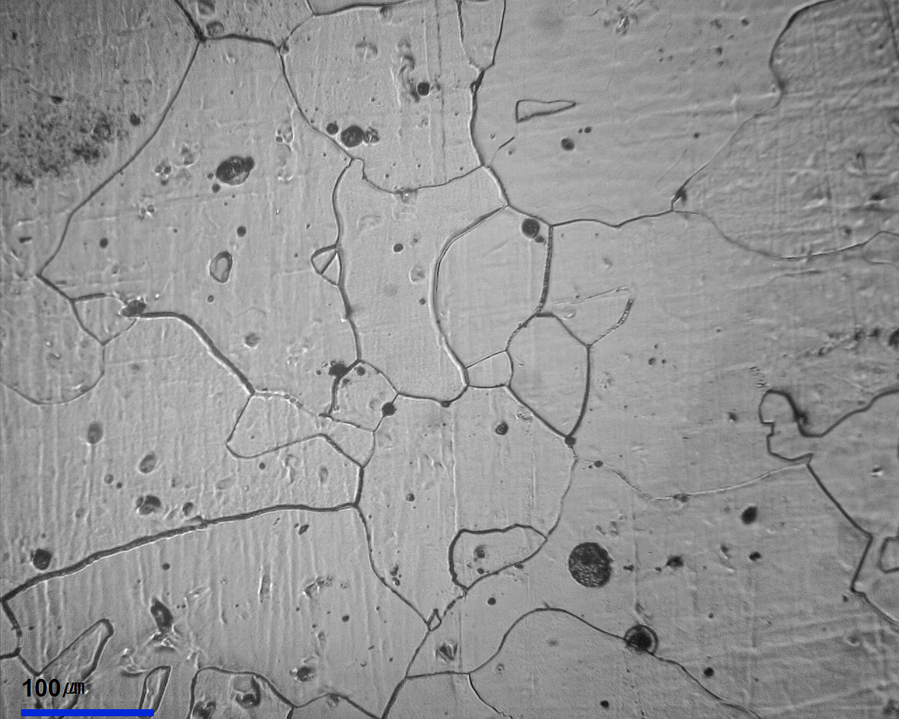
결과는 아주 성공적이었다.
희미하게 보였던 grain 들이 나이탈 용액 사용 후 자세히 보였었다.

이렇게 여러 우여곡절 후 마지막 돌파구를 찾으면서 남은 실험들은 아주 빠르게 해결 됐던거 같다.
이 시점이 약 1/3 남아있었을 때였고 이후의 실험은 일주일이 걸리지 않았다.
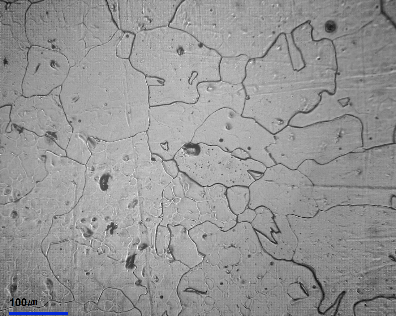
하지만 여전히 의문점이 있었다.



다음 그림과 같이 불규칙한 grain이 관측되었다.
폴리싱이나 애칭이 잘못 처리된건지 그냥 grain이 이렇게 생긴건지 구분이 잘 가지 않았다.
재결정 현상이 급격히 일어나서 다음과 같은 불규칙한 grain들이 관측되는거 같다는 생각이 든다.
이 다음 전해연마를 사용하는 우리 랩실 사람들을 위해 전해연마기기 사용 메뉴얼을 아주 자세히 적어놓을 예정이다.
'LAB > 논문 투고 회고록' 카테고리의 다른 글
| [회고록] 실험부터 논문 투고까지 (2) | 2025.06.08 |
|---|---|
| [Image J] grain size 측정하기 (1) | 2024.12.17 |